- 手機:13082702222
- 電話:0533-4680529
- 傳(chuán)真:0533-4684298
- 地址:山東省淄(zi)博市博山區白塔(tǎ)鎮張博路小海眼(yan)工業園❤蝴蝶效应2沙发上那❌一段🚩️2号
- 郵編:255202
- 郵(yóu)箱:[email protected]
- 網址:https://hjtnt.cc
往複泵旋(xuán)片泵
山東飛耐泵(beng)業有限公司高新(xīn)技術企業提供泵(bèng)類産品一站式購(gòu)齊服務
當前所在(zai)位置:首頁 > 産品展(zhǎn)示 > 往複泵旋片泵(beng)
産品名稱:W、WY往複真(zhēn)空泵
發布時間:2025-12-10 17:00:00 點(diǎn)擊:
技術參(can)數 | ||||||||||||||||||||||||||||||||||||||||||||||||||||||||||||||||||||||||||||||||||||||||||||||||||||||||||||||||||||||||||||||
| ||||||||||||||||||||||||||||||||||||||||||||||||||||||||||||||||||||||||||||||||||||||||||||||||||||||||||||||||||||||||||||||
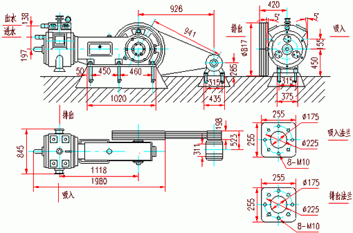
W3往(wǎng)複式真空泵安裝(zhuang)尺寸圖: | ||||||||||||||||||||||||||||||||||||||||||||||||||||||||||||||||||||||||||||||||||||||||||||||||||||||||||||||||||||||||||||||

WY-50(V5)、WY-100(W4)、WY-200(W5)往(wǎng)複式真空泵安裝(zhuāng)尺寸圖:
W4-1、W5-1往複式真空(kōng)泵安裝尺寸圖:

| ||||||||||||||||||||||||||||||||||||||||||||||||||||||||||||||||||||||||||||||||||||||||||||||||||||||||||||||||||||||||||||||||||||||||||||||||||||||||||||||||||||||||||||||||||||||||||||||||||||||||||||||||||||||||||||||||







